CỜ LÊ NHÂN LỰC NORBAR HT-9/27 (16059) | CỜ LÊ SIẾT LỰC NORBAR HT-9/27 (16059) | NORBAR MULTIPLIER TORQUE WRENCH HT-9/27 (16059) | 9.500 N.m | 1-1/2"


- Cờ lê nhân lực Norbar HT-9/27 (Code: 16059), Norbar torque multiplier HT-9/27 (Code: 16059): thuộc dòng sản phẩm Handtorque Standard Series của Norbar, là dụng cụ chuyên dụng để siết lực (moment) chính xác các loại bulong cường độ cao trong công nghiệp, với lực siết max: 9.500 N.m, hệ số nhân: 27:1, cỡ khẩu vào: 3/4", cỡ khẩu ra: 1-1/2".
- Sai số chế tạo theo nhà sản xuất cờ lê nhân lực Norbar HT-9/27 (16059) niêm yết: +/-4%.
- Bản chất của cờ lê nhân lực Norbar HT-9/27 (16059) là một cơ cấu kiểu hộp giảm tốc, liên kết với nhau qua nhiều bánh răng với một tỷ số truyền nhất định, tùy từng hãng tính toán mà cho ra một hệ số nhân lực, ở đây Norbar là 27:1.
- Thao tác cài đặt lực siết cờ lê nhân lực Norbar HT-9/27 (16059) diễn ra nhanh chóng và thuận tiện thông qua cờ lê lực phụ trợ (tay công), với nguyên tắc lực đầu vào nhân với hệ số nhân cho lực đầu ra. Không trang bị cơ cấu đảo chiều siết.
- Cờ lê nhân lực Norbar HT-9/27 là loại cờ lê nhân lực dạng mỏng (phù hợp siết tại các vị trí bị hạn chế chiều cao), càng phản lực có mấu gá dạng đầu cắm khẩu dịch chuyển dọc theo càng phản lực, linh hoạt, phù hợp với nhiều vị trí, khoảng cách gá.
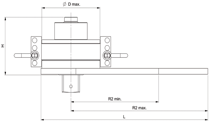
- Thân cờ lê nhân lực Norbar HT-9/27 (16059) cùng càng phản lực được chế tạo bằng thép cường lực có độ dai va đập cao, chịu lực vặn xoắn tốt. Trọng lượng của cờ lê nhân lực HT-9/27 (16059): 24.6 kg (bộ nhân lực: 16.3 kg, càng phản lực: 8.3 kg). Đường kính thân D = 184 mm.
- Bộ cờ lê nhân lực Norbar HT-9/27 (16059) gồm đầu nhân lực, kèm càng phản lực, chứng chỉ hiệu chuẩn trước khi xuất xưởng (Certificate of Calibration).
- Cờ lê nhân lực Norbar HT-9/27 được sản xuất và chế tạo bởi Norbar trực thuộc Tập đoàn SNAP ON. Made in UK. Được DKV VIET NAM CO.,LTD nhập khẩu và phân phối.
- Chúng tôi nhận sửa chữa, thay thế phụ tùng, phụ kiện cờ lê lực, cờ lê nhân lực, cờ lê thủy lực, căng bulong thủy lực cho các hãng: Gedore, Bahco, Norbar, Hazet, Stahlwille, Snap-on, Proto, Wera, Facom, Beta, Hytorc, TorcUP, Juwel, Wren, Atlas Copco...Nhận kiểm định, hiệu chuẩn tại bên thứ 3 (nhà nước hoặc tư nhân), để nhanh chóng đưa cờ lê lực, cờ lê nhân lực vào sử dụng theo nhu cầu của khách hàng.
- Ngoài cung cấp cờ lê nhân lực Norbar HT-9/27, chúng tôi còn cung cấp và có sẵn cờ lê lực, cờ lê nhân lực, có thông số tương đương chất lượng cao của: Juwel, Bahco, Stahlwille, Gedore ..hoặc giá rẻ của Tulex | India, DKV TORC | China (nhãn hàng trực thuộc DKV VIET NAM, OEM | China), đáp ứng nhu cầu cần sử dụng ngay của khách hàng.
- Giao hàng và service cờ lê nhân lực Norbar HT-9/27 toàn quốc cho mọi khách hàng, hãy liên hệ với chúng tôi tại các văn phòng gần nhất, để được phục vụ.
- DKV VIET NAM chuyên cung cấp các giải pháp siết lực chính xác với dải lực từ nhỏ đến lớn thông qua các dụng cụ chuyên dùng: cờ lê lực, cờ lê nhân lực, cờ lê thủy lực, căng bulong thủy lực, súng siết lực khí nén, súng siết lực điện.










THÔNG TIN HỖ TRỢ:
- Xuất xứ: Norbar/UK.
- CO, CQ do nhà sản xuất Norbar/UK cấp (Option: CO của phòng Thương mại công nghiệp Anh).
- Bảo hành: 12 tháng (theo tiêu chuẩn nhà sản xuất).
- Quy cách đóng gói: hộp nhựa công nghiệp.
- Thời gian giao hàng: 1 - 2 ngày (đối với hàng có sẵn tại Việt Nam), 15 - 45 ngày (đối với hàng không có tại Việt Nam, tùy thời điểm đặt hàng). Giao hàng toàn quốc.

- Đơn giá: vui lòng liên hệ với chúng tôi để biết chi tiết.
- Xuất xứ: Norbar/UK.
- CO, CQ do nhà sản xuất Norbar/UK cấp.
- Bảo hành: 12 tháng.
- Quy cách đóng gói: hộp carton.
- Thời gian giao hàng: 2 - 3 ngày đối với hàng có sẵn tại Việt Nam, 10-30 ngày đối với hàng không có sẵn tại Việt Nam.
- Giao hàng toàn quốc, vui lòng tham khảo chính sách giao hàng phía dưới website.



































