CON ĐỘI THỦY LỰC EAGLE ED-25C | EAGLE HYDRAULIC BOTTLE JACK ED-25C | 2.5 tấn | 100 mm


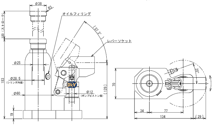
- Con đội thủy lực Eagle ED-25C, Eagle hydraulic bottle jack ED-25C: là loại con đội thủy lực lắc tay, có sức nâng max: 2.5 tấn, hành trình max: 100 mm, chiều cao chưa nâng: 183 mm. có thể sử dụng để kích các tải trọng nằm ngang (kích thủy lực ngang).
- Con đội thủy lực Eagle ED-25C được trang bị thêm lớp mạ Niken giúp chống rỉ sét cho kích, làm tăng tuổi thọ của kích, thuận tiện khi sử dụng trong nhà máy thực phẩm, phòng sạch, môi trường dễ bị rỉ sét.
- Con đội thủy lực Eagle ED-25C thuộc dạng đội chai, đội lắc tay, tích hợp bơm và xilanh trong cùng một khối. Ứng dụng cho nâng hạ ô tô, hoặc tải nhẹ trong công nghiệp.
- Thao tác hoạt động con đội thủy lực Eagle ED-25C đơn giản, linh hoạt thông qua cần lắc tay kết hợp với đóng/mở valve khóa dưới chân kích, tác động cánh tay đòn vào bơm để nâng, khi hạ để kích hồi cần đè nén thủ công. Trang bị van an toàn chống quá tải, nâng cao độ an toàn trong quá trình làm việc.
- Toàn thân con đội thủy lực Eagle ED-25C được chế tạo bằng thép cường lực, chịu va đập tốt, gioăng phớt chất lượng cao, cho tuổi thọ con đội dài lâu. Hình thức thật mắt, kiểu dáng công nghiệp.
- Con đội thủy lực Eagle ED-25C có trọng lượng: 3.5 kg. Đóng gói: hộp carton.
- Con đội thủy lực Eagle ED-25C thuộc dạng đội chai, đội lắc tay, tích hợp bơm thủy lực 1 cấp tốc độ và xilanh trong cùng một khối, đây là kiểu kích thủy lực cổ điển. Nhược điểm là kích thước cồng kềnh, trọng lượng lớn, tốc độ nâng/hạ chậm, không nâng được các tải trọng lớn (> 100 tấn), chỉ sử dụng đơn chiếc, không phối hợp được khi nâng các tải trọng dài, rộng, cần sức nâng lớn. Ưu điểm: giá thành rẻ và dễ sửa chữa hơn kích thủy lực dạng xyanh (cylinder) khá nhiều. Ứng dụng chủ yếu của kích thủy lực Eagle ED-25C cho nâng hạ ô tô, hoặc tải nhẹ trong công nghiệp, các ứng dụng sử dụng 1 kích thủy lực để nâng/hạ tải.
- Con đội thủy lực Eagle ED-25C có thể sử dụng để kích các tải trọng nằm ngang (kích thủy lực đặt nằm ngang). Tuy nhiên tốc độ nâng hạ chậm, khá bất tiện.
- Khi nâng các tải trọng lớn, không lên chọn giải pháp sử dụng nhiều con đội thủy lực Eagle ED-25C cùng lúc để nâng, bởi sự sai khác của lực đẩy tay trên bơm của công nhân thao tác, dẫn đến sai khác áp lực, lực nâng giữa các kích không đồng đều, gây hỏng kích rất nhanh. Hãy chọn giải pháp 1 bơm thủy lực (bơm tay, điện hoặc khí nén) phối cùng lúc cho nhiều kích thủy lực dạng xylanh (cylinder).
- Kích thủy lực Eagle ED-25C được sản xuất bởi Konno Corporation - Japan. Made in Japan (CO Phòng thương mại Osaka | Japan). DKV VIET NAM CO.,LTD nhập khẩu từ Nhật Bản và phân phối service tại Việt nam.
- Các loại kích thủy lực Eagle, con đội thủy lực Eagle, rùa lăn Eagle được sử dụng phổ biến rộng rãi khi nâng/hạ tải trọng nhẹ tại Việt nam, nhờ chất lượng Japan cùng chủng loại đa dạng.
- Nhận sửa chữa, phục chế kích thủy lực, bơm thủy lực và cung cấp phụ kiện đầy đủ (gioăng phớt, lò xo, valve) của Eagle và các hãng khác. Nhận cung cấp dịch vụ kiểm định test tải trọng kích thủy lực Eagle ED-25C tại các trung tâm kiểm định của Nhà nước và tư nhân, để nhanh chóng đưa kích thủy lực Eagle ED-25C tới khách hàng vào sử dụng.
- Ngoài cung cấp kích thủy lực Eagle ED-25C và các sản phẩm tiêu chuẩn luôn có sẵn, chúng tôi còn cung cấp các kích thủy lực chất lượng cao của Osaka Jack | Japan, Masada | Japan và hàng giá rẻ hơn của Tonners | Korea, China để thỏa mãn sự lựa chọn thêm của khách hàng, phù hợp với tiêu chí của khách hàng đặt ra (tham khảo tại: www.osaka-jack.com.vn và www.dkv-hydraulic.com).
- Giao hàng và service kích thủy lực Eagle ED-25C toàn quốc cho mọi khách hàng, hãy liên hệ với chúng tôi tại các văn phòng gần nhất, để được phục vụ.
-
Thông tin sản phẩm niêm yết chính thức tại hãng Eagle.

-
Catalogue, thông số kỹ thuật sản phẩm chi tiết xem tại đây






THÔNG TIN HỖ TRỢ:
- Xuất xứ: Eagle/Japan.
- CO do phòng thương mại Nhật Bản cấp (bản photo copy).
- CQ do nhà sản xuất Eagle/Japan cấp.
- Bảo hành: 12 tháng (theo tiêu chuẩn nhà sản xuất).
- Quy cách đóng gói: hộp carton.
- Thời gian giao hàng: 1 - 2 ngày (đối với hàng có sẵn tại Việt Nam) , 15 - 45 ngày (đối với hàng không có tại Việt Nam, tùy thời điểm đặt hàng). Giao hàng toàn quốc.

- Đơn giá: vui lòng liên hệ với chúng tôi để biết chi tiết.
- Xuất xứ: Eagle/Japan.
- CO, CQ do nhà sản xuất Eagle/Japan.
- Bảo hành: 12 tháng.
- Quy cách đóng gói: hộp carton.
- Thời gian giao hàng: 2-3 ngày đối với hàng có sẵn tại Việt nam, 10-30 ngày đối với hàng không có sẵn tại Việt nam.
- Giao hàng toàn quốc, vui lòng tham khảo chính sách giao hàng phía dưới website.
































