KÍCH CƠ KHÍ OSAKA JJ-3535 | OSAKA JOURNAL JACK JJ-3535 | 35 tấn | 350 mm


- Kích cơ khí Osaka JJ-3535, kích bánh răng Osaka JJ-3535, Osaka journal jack JJ-3535 là loại kích kết hợp của thân vỏ thép cùng thanh răng, bánh răng, có sức nâng max: 35 tấn, hành trình max: 350 mm. Đây là dòng sản phẩm kích lắc tay chất lượng cao, tuổi thọ vượt trội so với con đội thủy lực dạng chai thông thường, đặc biệt là tính chịu va đập.
- Thân vỏ kích cơ khí Osaka JJ-3535 được chế tạo bằng thép cường lực thông qua phương pháp rèn dập nóng có độ cứng vững chịu tải ổn định, kết hợp với thanh răng, bánh răng chất lượng cao được tôi thấm gia cường, có tuổi bền mỏi dài lâu, đặc biệt tại các vị trí ăn khớp.

- Cơ cấu đảo chiều quay (nâng/hạ) được thực hiện bởi chốt đảo chiều, gắn ngay bên ngoài ở vị trí tay công kết nối. Sự khác biệt trong thao tác so với con đội thủy lực dạng chai, đó là chiều hồi kích phải qua thao tác đảo chiều quay và đẩy hồi, không áp dụng kiểu đè nén thủ công thông thường.
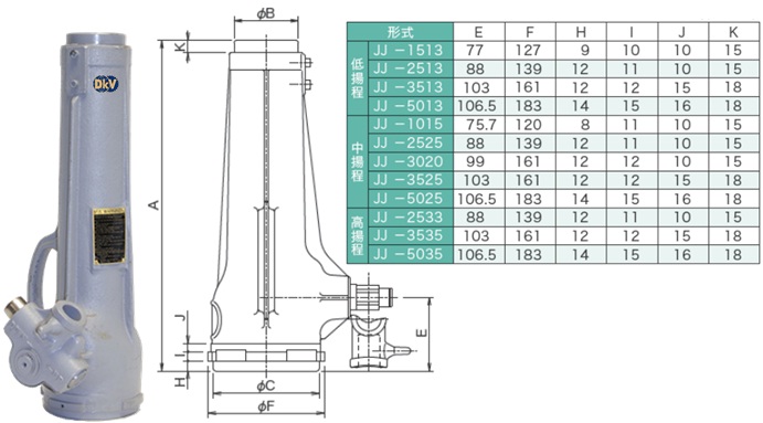
- Kích cơ khí Osaka JJ-3535 có chiều cao tĩnh ban đầu A = 535 mm, đường kính xilanh ØB = 87 mm. Trọng lượng: 37 kg. Tay công với lực đẩy max: 1.000 N.m.
- Ứng dụng chủ yếu của kích cơ khí Osaka JJ-3535 là trong môi trường thi công nâng hạ có tính va đập cao, ít bảo dưỡng bảo trì. Giải pháp cắt giảm chi phí đầu tư nâng hạ của các nhà thầu thi công lớn tại Việt nam tin dùng.
- Một trong các lợi thế của kích cơ khí Osaka là việc bảo trì bảo dưỡng đơn giản, chi phí thấp, chủ yếu là thao tác, thay thế, bổ sung, mỡ bôi trơn bộ thanh răng/bánh răng.


- Kích cơ khí Osaka JJ-3535 được DKV VIET NAM CO.,LTD, với tư cách là đại lý chính thức, nhập khẩu trực tiếp từ Nhà máy của Osaka Jack - Osaka - Japan, đi kèm với CO của Phòng thương mại Nhật Bản.
- Nhận sửa chữa, phục chế kích cơ khí, cung cấp phụ kiện đầy đủ (gioăng phớt, lò xo, valve, vòng bi, trục ren) của Osaka Jack và các hãng khác. Nhận cung cấp dịch vụ kiểm định test tải trọng kích tại các trung tâm kiểm định của Nhà nước và tư nhân, để nhanh chóng đưa kích vào sử dụng tới khách hàng.
- Ngoài kích cơ khí Osaka JJ-3535 và các sản phẩm tiêu chuẩn luôn có sẵn, chúng tôi còn có sẵn các kích tiêu chuẩn giá rẻ hơn của China để thỏa mãn sự lựa chọn thêm của khách hàng, phù hợp với tiêu chí của khách hàng đặt ra (tham khảo tại: www.osaka-jack.com.vn và www.dkv-hydraulic.com).
- Giao hàng và service kích cơ khí Osaka JJ-3535 toàn quốc cho mọi khách hàng, hãy liên hệ với chúng tôi tại các văn phòng gần nhất, để được phục vụ.
-
Thông tin sản phẩm niêm yết chính thức tại hãng Osaka Jack.

-
Catalogue, thông số kỹ thuật sản phẩm chi tiết xem tại đây



Ngoài ra, kích cơ khí Osaka có thể được chế tạo và lắp trên thanh ray trượt kiểu ê tô giúp dịch chuyển tải trọng cho các ứng dụng như dịch chuyển toa xe, đầu máy xe lửa trở lại vị trí ban đầu khi dịch chuyển bật khỏi ray, máy móc công nghiệp cần dịch chuyển ngang....





THÔNG TIN CHUNG:
- Hãng sản xuất: Osaka/Japan.
- Bảo hành: 12 tháng.
- CO, CQ do nhà sản xuất Osaka cấp. Option: CO Phòng thương mại Nhật Bản.
- Quy cách đóng gói: hộp carton.
- Thời gian giao hàng: 1 - 2 ngày (đối với hàng có sẵn tại Việt nam) , 15 - 45 ngày (đối với hàng không có tại Việt nam, tùy thời điểm đặt hàng). Giao hàng toàn quốc.

- Đơn giá kích cơ khí: vui lòng liên hệ với chúng tôi để biết chi tiết.
- Xuất xứ: Osaka/Japan.
- CO, CQ do nhà sản xuất Osaka/Japan.
- Bảo hành: 12 tháng.
- Quy cách đóng gói: hộp carton.
- Thời gian giao hàng: 2-3 ngày đối với hàng có sẵn tại Việt nam, 10-30 ngày đối với hàng không có sẵn tại Việt nam.
- Giao hàng toàn quốc, vui lòng tham khảo chính sách giao hàng phía dưới website.





























