KÍCH THỦY LỰC RỖNG TÂM EUROPRESS CMF10N50 | CON ĐỘI THỦY LỰC RỖNG TÂM EUROPRESS CMF10N50 | EUROPRESS HOLE HYDRAULIC JACK CMF10N50 | 10 tấn | 50 mm


- Kích thủy lực rỗng tâm Europress CMF10N50, con đội thủy lực rỗng tâm Europress CMF10N50, Europress hole hydraulic cylinder CMF10N50 là loại kích thủy lực, con đội thuỷ lực rỗng tâm, 1 chiều, vỏ thép, có sức nâng max: 10 tấn, hành trình max: 50 mm, lỗ rỗng xuyên tâm: 21 mm, chuyên dùng nâng hạ trong công nghiệp.
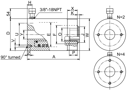
- Áp hoạt động < 700 bar (70 MPa), với coupler tiêu chuẩn 3/8"-NPT cho phép đấu nối nhanh với bơm thủy lực, thông qua ống dây, phụ kiện thủy lực.
- Trang bị lò xo hồi giúp kích thuỷ lực rỗng tâm Europress CMF10N50 hồi nhanh về vị trí ban đầu, khi xả tải (xả áp), giảm thiểu thời gian chờ đợi hồi kích trong quá trình thao tác.
- Kích thủy lực rỗng tâm Europress CMF10N50 trang bị ren phía đầu kích (ren ngoài Z = 2xM88, ren trong O = M30x1,5) cùng 2 bulong chìm dưới đáy kích (W =M74x2 thuận tiện kết nối với đồ gá khi cần thiết.
- Kích thủy lực rỗng tâm Europress dòng CMF được chế tạo bằng thép cường lực, chịu va đập tốt, kết hợp với gioăng phớt chất lượng cao, cho tuổi thọ sử dụng dài lâu, đặc biệt là sai số tải trọng rất nhỏ trong quá trình sử dụng theo năm tháng vận hành.
- Để nâng các tải trọng cỡ lớn, kích thước dài và rộng, có phân bố tải trọng không đồng đều, thường chọn giải pháp phối 1 bơm cho nhiều kích thủy lực Europress CMF10N50 , hoạt động đồng thời, thay vì chỉ sử dụng một vài chiếc kích cỡ lớn.
- Một bộ kích thủy lực Europress CMF10N50 hoàn chỉnh: sẽ bao gồm thêm bơm thủy lực, ống dây thủy lực 2m có tích hợp coupler và áp kế.
- Kích thuỷ lực rỗng tâm Europress CMF10N50 được sản xuất tại nhà máy của Europress đặt tại Genova - miền Bắc Italy. Made in Italy.
- Nhận sửa chữa, phục chế kích thủy lực, bơm thủy lực và cung cấp phụ kiện đầy đủ (gioăng phớt, lò xo, valve) của Europress và các hãng khác. Nhận cung cấp dịch vụ kiểm định test tải trọng kích tại các trung tâm kiểm định của Nhà nước và tư nhân, để nhanh chóng đưa kích vào sử dụng tới khách hàng.
- DKV VIET NAM nhận cung cấp ống dây thủy lực (vật liệu cao su hoặc nylon gia cường) với độ dài bất kỳ (4m, 6m, 8m, 10m, 15m, 20m, 50m...), chuyển đổi coupler sang các kiểu khác, để phù hợp với chuẩn Osaka, Enerpac, Power Team, Betex, Holmatro, Riken, Larzep, Rehobot, Simplex, Tecpos, Tonners... mà khách hàng đang sử dụng.
- Ngoài cung cấp kích thủy lực rỗng tâm Europress CMF10N50, chúng tôi còn có sẵn các kích tiêu chuẩn chất lượng của Osaka | Japan, giá rẻ của Tonners | Korea, DKV HYDRAULIC | China để thỏa mãn sự lựa chọn thêm của khách hàng, phù hợp với tiêu chí của khách hàng đặt ra (tham khảo tại: www.osaka-jack.com.vn và www.dkv-hydraulic.com).
- Giao hàng và service kích thủy lực rỗng tâm Europress CMF10N50 toàn quốc cho mọi khách hàng, hãy liên hệ với chúng tôi tại các văn phòng gần nhất, để được phục vụ.
-
Thông tin niêm yết sản phẩm tại hãng Europress

-
Catalogue, thông số kỹ thuật sản phẩm xem tại đây








THÔNG TIN CHUNG:
- Hãng sản xuất: Europress/Italy.
- Bảo hành: 12 tháng.
- CO (Chứng chỉ xuất xứ): Phòng thương mại Italy.

- Đơn giá: vui lòng liên hệ với chúng tôi để biết chi tiết.
- Xuất xứ: Europress/Italy.
- CO, CQ do nhà sản xuất Europress/Italy cấp.
- Bảo hành: 12 tháng.
- Thời gian giao hàng đối với hàng có sẵn trong kho: 1-2 ngày, hàng không có trong kho tại Việt nam: 10-30 ngày(tùy thời điểm đặt hàng).
- Giao hàng : toàn quốc.Điều khoản giao hàng vui lòng liên hệ với chúng tôi hoặc xem CHÍNH SÁCH BÁN HÀNG phía dưới website.
- Dịch vụ kiểm định dán tem tại các Trung tâm kiểm định trong và ngoài nước ( Option).
- Cung cấp các Accessories chính hãng cho thiết bị (Option)





























