KÍCH THỦY LỰC VÒNG HÃM BETEX JLLC 506 | CON ĐỘI THỦY LỰC VÒNG HÃM BETEX JLLC 506 | BETEX LOCK NUT HYDRAULIC JACK JLLC 506 | 50 tấn | 150 mm


- Kích thủy lực vòng hãm Betex JLLC 506, Betex lock nut hydraulic jack JLLC 506: là loại kích thủy lực vòng hãm khóa tải, 1 chiều, thân vỏ thép, có sức nâng max: 50 tấn, hành trình max: 150 mm, trang bị vòng hãm khóa tải, chuyên dùng trong nâng hạ công nghiệp.
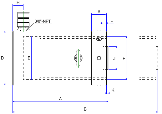
- Kích thủy lực Betex JLLC 506 có coupler kết nối, dạng tiêu chuẩn: 3/8"-NPT kiểu bắt ren truyền thống, cho phép đấu nối nhanh với bơm thủy lực, thông qua ống dây thủy lực, phụ kiện thủy lực.
- Thân piston của kích thuỷ lực vòng hãm Betex JLLC 506 được trang bị rãnh ren xoắn (F = Tr95 x 4), cùng vòng hãm được gia cường tăng cứng, có tác dụng giữ tải cố định, tránh sụt kích. Ứng dụng rất quan trọng trong quá trình nâng hạ cần giữa tải ổn định trong một thời gian dài khi thi công cầu đường, đóng tàu...
- Kích thủy lực vòng hãm Betex JLLC 506 không trang bị lò xo hồi, việc hồi kích nhờ đè nén thủ công.
- Thân vỏ kích thủy lực vòng hãm Betex JLLC 506 được chế tạo bằng thép cường lực, có độ cứng vững cao, kết hợp với gioăng phớt chất lượng tốt, đảm bảo độ kín khít giúp kích thủy lực Betex có độ bền dài lâu.
- Để nâng/hạ các tải trọng lớn, dài và rộng, phân bố tải trọng không đồng đều, thường người ta chọn giải pháp sử dụng 1 bơm phối cho nhiều kích thủy lực vòng hãm Betex JLLC 506 một lúc, thay vì sử dụng 1 vài chiếc có sức nâng lớn.
- Nhận sửa chữa, phục chế kích thủy lực, bơm thủy lực và cung cấp phụ kiện đầy đủ (gioăng phớt, lò xo, valve) của Betex và các hãng khác. Nhận cung cấp dịch vụ kiểm định test tải trọng kích tại các trung tâm kiểm định của Nhà nước và tư nhân, để nhanh chóng đưa kích vào sử dụng tới khách hàng.
- DKV VIET NAM nhận cung cấp ống dây thủy lực (vật liệu cao su hoặc nylon gia cường) với độ dài bất kỳ (4m, 6m, 8m, 10m, 15m, 20m, 50m...), chuyển đổi coupler sang các kiểu khác, để phù hợp với chuẩn Osaka, Enerpac, Power Team, Betex, Holmatro, Riken, Larzep, Rehobot, Simplex, Tecpos, Tonners... mà khách hàng đang sử dụng.
- Ngoài cung cấp kích thủy lực Betex JLLC 506, chúng tôi còn có sẵn các kích tiêu chuẩn chất lượng của Osaka | Japan, giá rẻ của Tonners | Korea, DKV HYDRAULIC | China để thỏa mãn sự lựa chọn thêm của khách hàng, phù hợp với tiêu chí của khách hàng đặt ra (tham khảo tại: www.osaka-jack.com.vn và www.dkv-hydraulic.com).
- Giao hàng và service kích thủy lực Betex JLLC 506 toàn quốc cho mọi khách hàng, hãy liên hệ với chúng tôi tại các văn phòng gần nhất, để được phục vụ.
-
Thông tin sản phẩm niêm yết chính thức tại hãng Betex.

-
Catalogue, thông số kỹ thuật sản phẩm chi tiết xem tại đây.








- Đơn giá kích thủy lực: vui lòng liên hệ với chúng tôi để biết chi tiết.
- Xuất xứ: BEGA(BETEX)/Hà Lan (sản xuất tại Đà Loan - Made in Taiwan)
- CO, CQ do nhà sản xuất BETEX/Hà Lan cấp.
- Bảo hành: 12 tháng.
- Thời gian giao hàng đối với hàng có sẵn trong kho: 1-2 ngày, hàng không có trong kho tại Việt nam: 10-30 ngày(tùy thời điểm đặt hàng).
- Giao hàng : toàn quốc.Điều khoản giao hàng vui lòng liên hệ với chúng tôi hoặc xem CHÍNH SÁCH BÁN HÀNG phía dưới website.
- Dịch vụ kiểm định dán tem tại các Trung tâm kiểm định trong và ngoài nước ( Option).
- Cung cấp các Accessories chính hãng cho thiết bị (Option).






























