KÍCH THỦY LỰC VÒNG HÃM FPT CRI-150-200-GS-TA | FPT LOCKNUT HYDRAULIC JACK CRI-150-200-GS-TA | 150 tấn | 200 mm


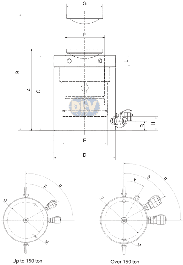
- Kích thủy lực FPT CRI-150-200-GS TA, kích thủy lực vòng hãm FPT CRI-150-200-GS TA, Double acting lock nut hydraulic jack CRI-150-200-GS TA: là loại kích thủy lực 2 chiều, vỏ thép, trang bị vòng hãm khóa tải, loại lớn có sức nâng max: 150 tấn, hành trình max: 200 mm, áp họat động < 700 bar (10.000 psi).
- Coupler tiêu chuẩn với ren 3/8"-NPT cho phép đấu nối kích thủy lực FPT CRI-150-200-GS TA nhanh với bơm thủy lực, thông qua ống dây thủy lực, phụ kiện thủy lực.
- Kích thủy lực FPT CRI-150-200-GS TA thuộc dòng sản phẩm kích vòng hãm khóa tải, trang bị ren phía đầu kích (ren to và sâu) cùng đai vòng hãm khóa tải. Với ưu điểm nổi bật, giữ tải trọng ổn định, hạn chế tối đa sụt hành trình trong quá trình thi công. Đặc biệt cần giữ tải cố định trong một thời gian dài, như thi công cầu, hầm, nâng tổng đoạn đóng tàu....
- Đỉnh kích thủy lực FPT CRI-150-200-GS TA có cơ cấu dạng chỏm cầu tự lựa góc nghiêng 50 (Option), giúp điểm tiếp xúc nâng tải tự lựa theo biên dạng tại vị trí tiếp xúc phù hợp nhất.
- Kích thủy lực FPT CRI-150-200-GS TA được chế tạo bằng thép cường lực, chịu va đập tốt, kết hợp với gioăng phớt chất lượng cao, cho tuổi thọ sử dụng dài lâu, đặc biệt là sai số tải trọng rất nhỏ trong quá trình sử dụng theo năm tháng vận hành.
- Để nâng các tải trọng cỡ lớn, kích thước dài và rộng, có phân bố tải trọng không đồng đều, thường chọn giải pháp phối 1 bơm cho nhiều kích thủy lực FPT CRI-150-200-GS TA, hoạt động đồng thời, thay vì chỉ sử dụng một vài chiếc kích cỡ lớn.
- Kích thủy lực vòng hãm FPT CRI-150-200-GS TA được sản xuất tại nhà máy của FPT Fluid Power Technology S.r.l đặt tại Genova - miền Bắc Italy. Made in Italy. DKV VIET NAM nhập khẩu, phân phối và service tại Việt Nam.
- Nhận sửa chữa, phục chế kích thủy lực, bơm thủy lực và cung cấp phụ kiện đầy đủ (gioăng phớt, lò xo, valve) của FPT, Enerpac và các hãng khác. Nhận cung cấp dịch vụ kiểm định test tải trọng kích thủy lực vòng hãm FPT CRI-150-200-GS TA tại các trung tâm kiểm định của Nhà nước và tư nhân, để nhanh chóng đưa kích thủy lực vòng hãm FPT CRI-150-200-GS TA tới khách hàng vào sử dụng.
- DKV VIET NAM nhận cung cấp ống dây thủy lực (vật liệu cao su hoặc nylon gia cường) với độ dài bất kỳ (4m, 6m, 8m, 10m, 15m, 20m, 50m...), chuyển đổi coupler sang các kiểu khác, để phù hợp với chuẩn Osaka, Enerpac, Power Team, Betex, Holmatro, Riken, Larzep, Rehobot, Simplex, Tecpos, Tonners... mà khách hàng đang sử dụng.
- Ngoài cung cấp kích thủy lực vòng hãm FPT CRI-150-200-GS TA, chúng tôi còn có sẵn các kích tiêu chuẩn chất lượng của Japan, Korea, China để thỏa mãn sự lựa chọn thêm của khách hàng, phù hợp với tiêu chí của khách hàng đặt ra (tham khảo tại: www.osaka-jack.com.vn và www.dkv.biz.vn).
- Giao hàng và service kích thủy lực vòng hãm FPT CRI-150-200-GS TA toàn quốc cho mọi khách hàng, hãy liên hệ với chúng tôi tại các văn phòng gần nhất, để được phục vụ.
-
Thông tin niêm yết sản phẩm tại hãng FPT

-
Catalogue, thông số kỹ thuật xem tại đây









THÔNG TIN CHUNG:
- Xuất xứ: FPT/Italy (Made in Italy).
- CO, CQ do nhà sản xuất FPT/Italy cấp.
- Bảo hành: 12 tháng (theo tiêu chuẩn nhà sản xuất).
- Quy cách đóng gói: hộp carton.
- Thời gian giao hàng: 1 - 2 ngày (đối với hàng có sẵn tại Việt nam) , 15 - 45 ngày (đối với hàng không có tại Việt nam, tùy thời điểm đặt hàng). Giao hàng toàn quốc.

- Đơn giá: vui lòng liên hệ với chúng tôi để biết chi tiết.
- Xuất xứ: FPT/Italy (Made in Italy).
- CO do phòng Thương mại Italy cấp (bản photo copy).
- CQ do nhà sản xuất FPT/Italy cấp.
- Bảo hành: 12 tháng (theo tiêu chuẩn nhà sản xuất).
- Quy cách đóng gói: hộp carton.
- Thời gian giao hàng: 1 - 2 ngày (đối với hàng có sẵn tại Việt nam) , 15 - 45 ngày (đối với hàng không có tại Việt nam, tùy thời điểm đặt hàng). Giao hàng toàn quốc.





























