PA LĂNG XÍCH KHÍ NÉN SAN-EI VMX100LP-MR | SAN-EI AIR CHAIN HOIST VMX100LP-MR | 1 tấn | 3 m


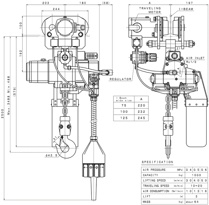
- Pa lăng xích khí nén SAN-EI VMX100LP-MR, SAN-EI peumatic chain hoists VMX100LP-MR: là loại pa lăng xích, tích hợp thêm rùa lăn treo pa lăng sử dụng khí nén của hãng SAN-EI (SAN-EI SEIKI SEISAKUSHO CO., LTD) | Japan (Made in Japan) thuộc dòng series VMX, có sức nâng max: 1 tấn, tốc độ nâng max: 5 m/phút, tốc độ dịch chuyển (trái/phải) của rùa lăn: 10 - 20 mét/phút, chiều cao nâng hạ tiêu chuẩn: 3 m, sử dụng rộng rãi trong công nghiệp nâng hạ, do có tính cơ động cao.
- Pa lăng xích khí nén SAN-EI VMX100LP-MR, trang bị 1 đường dây xích tải, chiều dài xích tải: 3.5 m, xích tải được chế tạo từ thép hợp kim, đường kính đốt xích tải Ø 7.1 mm, chế tạo theo tiêu chuẩn ISO3077-1984 chất lượng độ chính xác cao, đảm bảo khả năng chịu tải lớn. Ngoài chiều cao nâng tiêu chuẩn 3 m, có thể chọn lựa xích tải có hành trình nâng cao hơn để phù hợp với nhu cầu của khách hàng (Option).
- Pa lăng xích khí nén SAN-EI VMX100LP-MR sử dụng động khí nén: lưu lượng khí đạt 1 - 1.6 m3/phút, áp khí nén đầu vào max: 4 - 6 bar, đường ống dẫn khí: 12.7 mm (1/2"), ren coupler khí nén: Rc-3/8", cho nâng hạ với vận tốc nâng: 3 - 5 m/phút (khi nâng tải), và tốc độ rùa tịnh tiến trên ray (trái/phải): 10 - 20 mét/phút, đảm bảo nâng hạ mượt mà, thông qua điều khiển cầm tay với 4 nút (up/down/left/righ | lên/xuống/trái/phải).
- Rùa lăn dịch chuyển (trái/phải) trên dầm của pa lăng xích khí nén SAN-EI VMX100LP-MR phù hợp với các dầm chữ I, chữ H, với khổ dầm: 75 - 100 - 125 mm, bán kính cong của dầm > 2.000 mm.
- Pa lăng xích khí nén SAN-EI VMX100LP-MR có thân vỏ được làm bằng thép hợp kim chắc chắn bảo vệ hệ thống dẫn động bên trong động cơ, được sơn tĩnh điện công nghệ cao đảm bảo bền màu theo thời gian.
- Toàn bộ bánh răng dẫn động, phanh cơ khí, chốt hãm, con lăn dẫn hướng, móc của pa lăng xích khí nén SAN-EI VMX100LP-MR được chế tạo từ thép hợp kim, có gia cường tại các vị trí xung yếu, đảm bảo độ an toàn, độ bền, chống ăn mòn, dẫn động, kéo nhả đúng hướng.
- Pa lăng xích khí nén SAN-EI VMX100LP-MR được ứng dụng rộng rãi trong lĩnh vực như: bốc xếp hàng hóa ở nhà máy có sẵn nguồn khí nén, bến tàu, hầm mỏ, hóa chất, dầu khí có tính cháy nổ cao, sản phẩm rất được ưa chuộng tại Việt Nam, với chất lượng tốt, mang lại hiệu quả kinh tế cao.
- Trọng lượng pa lăng xích khí nén SAN-EI VMX100LP-MR tiêu chuẩn: 64 kg. Đóng gói trong hộp gỗ.
- Pa lăng xích khí nén SAN-EI VMX100LP-MR được sản xuất bởi SAN-EI SEIKI SEISAKUSHO CO., LTD - Fukushima - Japan. Made in Japan (CO Phòng thương mại Osaka | Japan). DKV VIET NAM CO.,LTD nhập khẩu trực tiếp từ Nhật Bản và phân phối service.
- Nhận sửa chữa, phục chế pa lăng xích kéo tay, pa lăng xích lắc tay, pa lăng xích điện, pa lăng xích khí nén và cung cấp phụ kiện đầy đủ của Vital, Kito, Elephant, NPK, Toku, Endo, SAN-EI, Kawasaki và các hãng khác. Nhận cung cấp dịch vụ kiểm định test tải trọng tại các trung tâm kiểm định của Nhà nước và tư nhân, để nhanh chóng đưa pa lăng xích vào sử dụng tới khách hàng.
- Ngoài cung cấp pa lăng xích khí nén SAN-EI VMX100LP-MR và các sản phẩm tiêu chuẩn luôn có sẵn, chúng tôi còn có sẵn các pa lăng xích khí nén tiêu chuẩn chất lượng tương đương của Kito/Japan, Toku/Japan, Endo/Japan hoặc giá rẻ hơn của Kawasaki/China để thỏa mãn sự lựa chọn thêm của khách hàng, phù hợp với tiêu chí của khách hàng đặt ra.
- Giao hàng và service pa lăng xích khí nén SAN-EI VMX100LP-MR toàn quốc cho mọi khách hàng, hãy liên hệ với chúng tôi tại các văn phòng gần nhất, để được phục vụ.
-
Thông tin sản phẩm niêm yết chính thức tại hãng SAN-EI.

-
Catalogue, thông số kỹ thuật sản phẩm chi tiết tại đây.








THAM KHẢO THÊM:




THÔNG TIN CHUNG:
- Xuất xứ: SAN-EI (SAN-EI SEIKI SEISAKUSHO CO., LTD) | Japan (Made in Japan).
- CO Phòng thương mại Osaka | Japan.
- CQ do nhà sản xuất SAN-EI (SAN-EI SEIKI SEISAKUSHO CO., LTD) | Japan cấp.
- Bảo hành: 12 tháng (theo tiêu chuẩn nhà sản xuất).
- Quy cách đóng gói: hộp carton | hộp gỗ.
- Thời gian giao hàng: 1 - 2 ngày (đối với hàng có sẵn tại Việt Nam) , 15 - 45 ngày (đối với hàng không có tại Việt Nam, tùy thời điểm đặt hàng). Giao hàng toàn quốc.

- Đơn giá : vui lòng liên hệ với chúng tôi để biết chi tiết.
- Xuất xứ: SAN-EI (San-EI Seiki Seisakusho Co.,Ltd) | Japan.
- CO, CQ do nhà sản xuất San-EI/Japan.
- Bảo hành: 12 tháng.
- Quy cách đóng gói: hộp carton.
- Thời gian giao hàng: 2-3 ngày đối với hàng có sẵn tại Việt nam, 10-30 ngày đối với hàng không có sẵn tại Việt nam.
- Giao hàng toàn quốc, vui lòng tham khảo chính sách giao hàng phía dưới website.























