BƠM ĐIỆN THỦY LỰC CAO ÁP OSAKA GX1-J | OSAKA ELECTRIC HIGH PRESSURE HYDRAULIC PUMP GX1-J | 10 lít | 1.000 bar


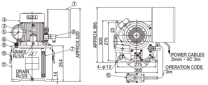
- Bơm điện thủy lực cao áp Osaka GX1-J, Osaka electric high pressure hydraulic pump GX1-J là loại bơm thủy lực cỡ trung bình, có dung tích bình chứa dầu: 14 lít, dung tích dầu hữu dụng: 10 lít, áp hoạt động < 1.000 bar (100 MPa), chuyên dùng cho kích thủy lực, tools 1 chiều cỡ lớn trong nâng hạ công nghiệp.
- Bơm điện thủy lực cao áp Osaka GX1-J sử dụng động cơ: 0.75 kW/380V/50Hz/3ph, với lưu lượng đẩy dầu đạt: 0.33-0.4 lít/phút (tại 1.000 bar). Có 2 biến thể: GX1-JA3.8 và GX1-JB3.8 (A/B khác nhau có hay không trang bị bộ điều áp điện áp).
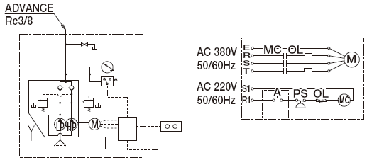
- Đầu ren chờ lắp phụ kiện, ống dây của bơm thủy lực Osaka GX1-J tiêu chuẩn Rc3/8 cho phép đấu nối nhanh, thuận tiện.
- Bơm thủy lực cao áp Osaka GX1-J sử dụng valve điều khiển dạng gạt tay, áp lực thủy lực được điều chỉnh và cài đặt thông qua valve gắn trên thân bơm, thuận tiện trong quá trình thao tác. Không trang bị áp kế đi cùng bơm.
- Thao tác điều khiển valve gạt tay (gạt trái/phải) tương ứng với nâng/hạ (đẩy áp - đẩy dầu/xả áp - hồi dầu) kích thủy lực, tools thủy lực 1 chiều.
- Núm đổ dầu cùng núm xả hơi bơm thủy lực Osaka GX1-J thường bố trí ngay trên mặt của bơm, thuận tiện khi thao tác cũng như đổ bổ sung dầu. Khe thăm dầu bố trí thẳng đứng dọc theo thân bơm, dễ dàng quan sát tình trạng dầu.
- Bơm thủy lực cao áp Osaka GX1-J được DKV VIET NAM CO.,LTD, với tư cách là đại lý chính thức, nhập khẩu trực tiếp từ Nhà máy của Osaka Jack - Osaka - Japan, đi kèm với CO của Phòng thương mại Nhật Bản.
- Nhận sửa chữa, phục chế kích thủy lực, bơm thủy lực và cung cấp phụ kiện đầy đủ (gioăng phớt, lò xo, valve) của Osaka Jack và các hãng khác. Nhận cung cấp dịch vụ kiểm định test áp lực bơm thủy lực cao áp Osaka GX1-J tại các trung tâm kiểm định của Nhà nước và tư nhân, để nhanh chóng đưa bơm thủy lực cao áp Osaka GX1-J vào sử dụng tới khách hàng.
- Cung cấp lắp đặt bơm với nhiều tùy chọn động cơ, điện áp: 110V/1ph, 200V/3ph..động cơ phòng chống cháy nổ cho bơm nếu khách có nhu cầu.
- DKV VIET NAM cung cấp các loại bơm thủy lực cao áp: 150 MPA, 160 MPa, 200 MPa, 250 MPa, 280 MPa, 300 MPa, 350 MPa và 400 Mpa để thỏa mãn nhu cầu khách dùng hàng cao áp.
- DKV VIET NAM nhận cung cấp ống dây thủy lực cao áp 150 MPa, 250 MPa, 300 MPa và 400 Mpa (vật liệu cao su hoặc nylon gia cường) với độ dài bất kỳ (4m, 6m, 8m, 10m, 15m, 20m, 50m...), chuyển đổi coupler sang các kiểu khác, để phù hợp với chuẩn: Cejn, Enerpac, Power Team, Betex, Holmatro, Riken, Larzep, Rehobot, Simplex, Tecpos, Tonners... mà khách hàng đang sử dụng.
- Ngoài bơm thủy lực cao áp Osaka GX1-J và các sản phẩm tiêu chuẩn luôn có sẵn, chúng tôi còn có sẵn các bơm tiêu chuẩn giá rẻ hơn của Korea, China để thỏa mãn sự lựa chọn thêm của khách hàng, phù hợp với tiêu chí của khách hàng đặt ra (tham khảo tại: www.osaka-jack.com.vn và www.dkv-hydraulic.com).
- Giao hàng và service bơm thủy lực cao áp Osaka GX1-J toàn quốc cho mọi khách hàng, hãy liên hệ với chúng tôi tại các văn phòng gần nhất, để được phục vụ.
-
Thông tin niêm yết sản phẩm tại hãng Osaka/Japan

-
Catalogue, thông số kỹ thuật chi tiết xem tại đây








- Đơn giá: vui lòng liên hệ với chúng tôi để biết chi tiết.
- Xuất xứ: OSAKA/Japan.
- CO, CQ do nhà sản xuất OSAKA/Japan cấp.
- Bảo hành: 12 tháng.
- Quy cách đóng gói: hộp carton.
- Thời gian giao hàng đối với hàng có trong kho tại Việt nam: 2-3 ngày, đối với hàng không có trong kho tại Việt nam: 10-30 ngày(tùy thời điểm đặt hàng).
- Giao hàng : toàn quốc.Điều khoản giao hàng vui lòng liên hệ với chúng tôi hoặc xem CHÍNH SÁCH BÁN HÀNG phía dưới website.



































