BƠM ĐIỆN THỦY LỰC CAO ÁP OSAKA NEXZ-2MGS | OSAKA ELECTRIC HIGH PRESSURE HYDRAULIC PUMP NEXZ-2MGS | 2 lít | 2.000 bar


- Bơm điện thủy lực cao áp Osaka NEXZ-2MGS, Osaka electric high pressure hydraulic pump NEXZ-2MGS là loại bơm điện thủy lực cao áp, có dung tích thùng chứa dầu 2.5 lít, dung tích dầu hữu ích: 2 lít, áp hoạt động < 2.000 bar (200 MPa), chuyên dùng cho kích thủy lực, tools thủy lực cao áp 1 chiều cỡ nhỏ trong công nghiệp.
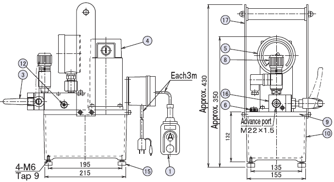
- Bơm thủy lực cao áp Osaka NEXZ-2MGS động cơ: 0.35 kW/220V/50Hz/1ph, với lưu lượng đẩy dầu: 0.1 lít/phút tại 2.000 bar, với đầu ren chờ M22x1.5, cho phép đấu nối nhanh với kích và tools thủy lực, thông qua ống dây, phụ kiện thủy lực.
- Bơm thủy lực cao áp Osaka NEXZ-2MGS sử dụng valve điều khiển dạng gạt tay kết hợp với điều khiển cầm tay, áp lực thủy lực được điều chỉnh và cài đặt thông qua valve gắn trên thân bơm, thuận tiện trong quá trình thao tác. Trang bị áp kế đi cùng bơm.
- Bơm thủy lực cao áp Osaka NEXZ-2MGS điều khiển cầm tay chỉ có duy nhất phím Up (nâng), muốn hạ kích (xả áp) chỉ cần đảo chiều valve gạt tay gắn trên thân bơm.
- Núm đổ dầu cùng núm xả hơi bơm thủy lực cao áp Osaka NEXZ-2MGS thường bố trí ngay trên mặt của bơm, thuận tiện khi thao tác cũng như đổ bổ sung dầu.
- Bơm thủy lực cao áp Osaka NEXZ-2MGS được DKV VIET NAM CO.,LTD, với tư cách là đại lý chính thức, nhập khẩu trực tiếp từ Nhà máy của Osaka Jack - Osaka - Japan, đi kèm với CO của Phòng thương mại Nhật Bản.
- Nhận sửa chữa, phục chế kích thủy lực, bơm thủy lực và cung cấp phụ kiện đầy đủ (gioăng phớt, lò xo, valve) của Osaka Jack và các hãng khác. Nhận cung cấp dịch vụ kiểm định test áp lực bơm thủy lực cao áp Osaka NEXZ-2MGS tại các trung tâm kiểm định của Nhà nước và tư nhân, để nhanh chóng đưa bơm thủy lực cao áp Osaka NEXZ-2MGS vào sử dụng tới khách hàng.
- Cung cấp lắp đặt bơm với nhiều tùy chọn động cơ, điện áp: 110V/1ph, 200V/3ph..động cơ phòng chống cháy nổ cho bơm nếu khách có nhu cầu.
- DKV VIET NAM cung cấp các loại bơm thủy lực cao áp: 150 MPA, 160 MPa, 200 MPa, 250 MPa, 280 MPa, 300 MPa, 350 MPa và 400 Mpa để thỏa mãn nhu cầu khách dùng hàng cao áp.
- DKV VIET NAM nhận cung cấp ống dây thủy lực cao áp 150 MPa, 250 MPa, 300 MPa và 400 Mpa (vật liệu cao su hoặc nylon gia cường) với độ dài bất kỳ (4m, 6m, 8m, 10m, 15m, 20m, 50m...), chuyển đổi coupler sang các kiểu khác, để phù hợp với chuẩn: Cejn, Enerpac, Power Team, Betex, Holmatro, Riken, Larzep, Rehobot, Simplex, Tecpos, Tonners... mà khách hàng đang sử dụng.
- Ngoài bơm thủy lực cao áp Osaka NEXZ-2MGS và các sản phẩm tiêu chuẩn luôn có sẵn, chúng tôi còn có sẵn các bơm tiêu chuẩn giá rẻ hơn của Korea, China để thỏa mãn sự lựa chọn thêm của khách hàng, phù hợp với tiêu chí của khách hàng đặt ra (tham khảo tại: www.osaka-jack.com.vn và www.dkv-hydraulic.com).
- Giao hàng và service bơm thủy lực cao áp Osaka NEXZ-2MGS toàn quốc cho mọi khách hàng, hãy liên hệ với chúng tôi tại các văn phòng gần nhất, để được phục vụ.
-
Thông tin niêm yết sản phẩm tại hãng Osaka

-
Catalogue, thông số kỹ thuật chi tiết xem tại đây












- Đơn giá: vui lòng liên hệ với chúng tôi để biết chi tiết.
- Xuất xứ: OSAKA/Japan.
- CO, CQ do nhà sản xuất OSAKA/Japan cấp.
- Bảo hành: 12 tháng.
- Quy cách đóng gói: hộp carton.
- Thời gian giao hàng đối với hàng có trong kho tại Việt nam: 2-3 ngày, đối với hàng không có trong kho tại Việt nam: 10-30 ngày(tùy thời điểm đặt hàng).
- Giao hàng : toàn quốc.Điều khoản giao hàng vui lòng liên hệ với chúng tôi hoặc xem CHÍNH SÁCH BÁN HÀNG phía dưới website.
































