KÍCH THỦY LỰC BETEX NDAC 10013 | CON ĐỘI THỦY LỰC HAI CHIỀU BETEX NDAC 10013 | BETEX DOUBLE ACTING HYDRAULIC JACK NDAC 10013 | 100 tấn | 330 mm


- Kích thủy lực Betex NDAC 10013, con đội thuỷ lực hai chiều Betex NDAC 10013, Betex double acting hydraulic jack NDAC 10013: là loại kích thủy lực 2 chiều hay còn gọi là kích thủy lực ngang (kích được nằm ngang), có sức nâng max: 100 tấn, sức kéo max: 43 tấn, hành trình max: 330 mm.
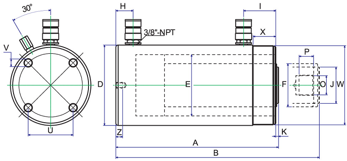
- Áp hoạt động < 700 bar (10.000 psi), với đầu coupler kiểu bắt ren tiêu chuẩn 3/8"-NPT, cho phép đấu nối nhanh với bơm thủy lực, thông qua ống dây, phụ kiện thủy lực.
- Kích thủy lực Betex NDAC 10013 có thân vỏ được chế tạo bằng théo cường lực, chịu va đập tốt, kết hợp với gioăng phớt chất lượng cao, giúp kích thủy lực có tuổi thọ dài lâu.
- Phía đầu kích thuỷ lực Betex NDAC 10013 trang bị 2 đầu ren (ren trong O = 1-3/4"-12 UN, ren ngoài W = 6-7/8"-12UN), giúp thuận tiện khi kết nối với đồ gá tùy theo ứng dụng nâng, đặc biệt dùng khi kéo.
- Kích thủy lực hai chiều có độ mượt khi nâng/hạ và tính an toàn cao hơn hẳn kích thủy lực 1 chiều.
- Để nâng các tải trọng lớn, dài và rộng, có độ phân bố tải trọng không đồng đều, trọng tâm tải trọng cần duy trì tính ổn định, thường ưu tiên chọn giải pháp một bơm tổng (nguồn tổng), phối cho nhiều kích thủy lực 2 chiều Betex NDAC 10013 cùng hoạt động đồng thời, thông qua bộ chia thủy lực.
- Nhận sửa chữa, phục chế kích thủy lực, bơm thủy lực và cung cấp phụ kiện đầy đủ (gioăng phớt, lò xo, valve) của Betex và các hãng khác. Nhận cung cấp dịch vụ kiểm định test tải trọng kích tại các trung tâm kiểm định của Nhà nước và tư nhân, để nhanh chóng đưa kích vào sử dụng tới khách hàng.
- DKV VIET NAM nhận cung cấp ống dây thủy lực (vật liệu cao su hoặc nylon gia cường) với độ dài bất kỳ (4m, 6m, 8m, 10m, 15m, 20m, 50m...), chuyển đổi coupler sang các kiểu khác, để phù hợp với chuẩn Osaka, Enerpac, Power Team, Betex, Holmatro, Riken, Larzep, Rehobot, Simplex, Tecpos, Tonners... mà khách hàng đang sử dụng.
- Ngoài cung cấp kích thủy lực Betex NDAC 10013 chúng tôi còn có sẵn các kích tiêu chuẩn chất lượng của Osaka | Japan, giá rẻ của Tonners | Korea, DKV HYDRAULIC | China để thỏa mãn sự lựa chọn thêm của khách hàng, phù hợp với tiêu chí của khách hàng đặt ra (tham khảo tại: www.osaka-jack.com.vn và www.dkv-hydraulic.com).
- Giao hàng và service kích thủy lực Betex NDAC 10013 toàn quốc cho mọi khách hàng, hãy liên hệ với chúng tôi tại các văn phòng gần nhất, để được phục vụ.
-
Thông tin sản phẩm niêm yết chính thức tại hãng Betex.

-
Catalogue, thông số kỹ thuật sản phẩm chi tiết xem tại đây.




- Đơn giá kích thủy lực: vui lòng liên hệ với chúng tôi để biết chi tiết.
- Xuất xứ: BEGA(BETEX)/Hà Lan (sản xuất tại Đà Loan - Made in Taiwan)
- CO, CQ do nhà sản xuất BETEX/Hà Lan cấp.
- Bảo hành: 12 tháng.
- Thời gian giao hàng đối với hàng có sẵn trong kho: 1-2 ngày, hàng không có trong kho tại Việt nam: 10-30 ngày(tùy thời điểm đặt hàng).
- Giao hàng : toàn quốc.Điều khoản giao hàng vui lòng liên hệ với chúng tôi hoặc xem CHÍNH SÁCH BÁN HÀNG phía dưới website.
- Dịch vụ kiểm định dán tem tại các Trung tâm kiểm định trong và ngoài nước ( Option).
- Cung cấp các Accessories chính hãng cho thiết bị (Option).

































