KÍCH THỦY LỰC BVA HDG10004 | KÍCH THỦY LỰC HAI CHIỀU BVA HDG10004 | BVA DOUBLE ACTING HYDRAULIC JACK HDG10004 | 100 tấn | 100 mm


- Kích thủy lực BVA HDG10004, kích thủy lực hai chiều BVA HDG10004, BVA double acting hydraulic jack HDG10004 là loại kích thủy lực 2 chiều, vỏ thép, loại lớn có sức nâng max: 100 tấn, hành trình max: 100 mm, áp họat động < 700 bar (10.000 psi).
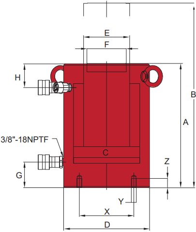
- Coupler tiêu chuẩn, với ren 3/8"-NPT cho phép đấu nối nhanh với bơm thủy lực, thông qua ống dây thủy lực, phụ kiện thủy lực.
- Kích thủy lực BVA HDG10004 thuộc dòng sản phẩm kích thủy lực trơn, không trang bị ren phía đầu kích. Chính vì vậy mà giá thành rẻ hơn các loại kích thủy lực cùng cấu hình có trang bị ren phía đầu kích.
- Kích thủy lực BVA dòng HDG được chế tạo bằng thép cường lực, chịu va đập tốt, kết hợp với gioăng phớt chất lượng cao, cho tuổi thọ sử dụng dài lâu, đặc biệt là sai số tải trọng rất nhỏ trong quá trình sử dụng theo năm tháng vận hành.
- Để nâng các tải trọng cỡ lớn, kích thước dài và rộng, có phân bố tải trọng không đồng đều, thường chọn giải pháp phối 1 bơm cho nhiều kích thủy lực BVA HDG10004, hoạt động đồng thời, thay vì chỉ sử dụng một vài chiếc kích cỡ lớn.
- Nhận sửa chữa, phục chế kích thủy lực, bơm thủy lực và cung cấp phụ kiện đầy đủ (gioăng phớt, lò xo, valve) của BVA và các hãng khác. Nhận cung cấp dịch vụ kiểm định test tải trọng kích tại các trung tâm kiểm định của Nhà nước và tư nhân, để nhanh chóng đưa kích vào sử dụng tới khách hàng.
- DKV VIET NAM nhận cung cấp ống dây thủy lực (vật liệu cao su hoặc nylon gia cường) với độ dài bất kỳ (4m, 6m, 8m, 10m, 15m, 20m, 50m...), chuyển đổi coupler sang các kiểu khác, để phù hợp với chuẩn Osaka, Enerpac, Power Team, Betex, Holmatro, Riken, Larzep, Rehobot, Simplex, Tecpos, Tonners... mà khách hàng đang sử dụng.
- Ngoài cung cấp kích thủy lực BVA HDG10004 , chúng tôi còn có sẵn các kích tiêu chuẩn chất lượng của Osaka | Japan, giá rẻ của Tonners | Korea, DKV HYDRAULIC | China để thỏa mãn sự lựa chọn thêm của khách hàng, phù hợp với tiêu chí của khách hàng đặt ra (tham khảo tại: www.osaka-jack.com.vn và www.dkv-hydraulic.com).
- Giao hàng và service kích thủy lực BVA HDG10004 toàn quốc cho mọi khách hàng, hãy liên hệ với chúng tôi tại các văn phòng gần nhất, để được phục vụ.
-
Thông tin niêm yết sản phẩm của hãng

-
Catalogue, thông số kỹ thuật xem tại đây








THAM KHẢO:
THÔNG TIN HỖ TRỢ:- Xuất xứ: BVA/Taiwan (Made in Taiwan).
- CO do phòng Thương mại Đài Loan cấp (option).
- CQ do nhà sản xuất BVA/Taiwan cấp.
- Bảo hành: 12 tháng (theo tiêu chuẩn nhà sản xuất).
- Quy cách đóng gói: hộp carton.
- Thời gian giao hàng: 1 - 2 ngày (đối với hàng có sẵn tại Việt nam) , 15 - 45 ngày (đối với hàng không có tại Việt nam, tùy thời điểm đặt hàng). Giao hàng toàn quốc.

- Đơn giá: vui lòng liên hệ với chúng tôi để biết chi tiết.
- Xuất xứ: BVA/Taiwan.
- CO, CQ do nhà sản xuất BVA/Taiwan.
- Bảo hành: 12 tháng.
- Quy cách đóng gói: hộp carton.
- Thời gian giao hàng: 2-3 ngày đối với hàng có sẵn tại Việt nam, 10-30 ngày đối với hàng không có sẵn tại Việt nam.
- Giao hàng toàn quốc, vui lòng tham khảo chính sách giao hàng phía dưới website.





























