KÍCH THỦY LỰC ENERPRED DU50G100 | CON ĐỘI THỦY LỰC ENERPRED DU50G100 | 56 tấn | 100 mm


- Kích thủy lực Enerpred DU50G100, con đội thủy lực Enerpred DU50G100 là loại kích thủy lực, con đội thủy lực Liên Bang Nga, hai chiều cỡ lớn, có sức nâng max: 56 tấn, hành trình max: 100 mm, áp hoạt động < 700 bar (10.000 psi).
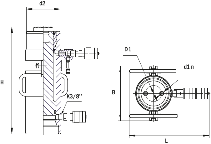
- Kích thủy lực Enerpred DU50G100 có coupler kết nối size tiêu chuẩn: 3/8"-NPT cho phép đấu nối nhanh với bơm thủy lực thông qua ống dây thủy lực, valve, đầu chia, áp kế...thủy lực.
- Kích thủy lực Enerpred DU50G100 có đường kính xilanh (D1 = 80 mm), trang bị ren đầu kích (d2 = M130x2). Phần đáy kích trang bị bulong chìm ( số lượng n = 3 chiếc, ren bulong d1 = M12) thuận tiện khi kết nối với đồ gá khi cần.
- Kích thủy lực Enerpred DU50G100 được chế tạo bằng thép cường lực cho độ cứng vững cao, kết hợp bộ gioong phớt chất lượng cao góp phần kéo dài tuổi thọ của kích thủy lực.
- Để nâng các tải trọng lớn, dài và rộng, phân bố tải trọng không đồng đều, ổn định trọng tâm tải trọng, có thể chọn giải pháp một bơm phối cho nhiều kích thủy lực DU50G100 cùng hoạt động một lúc, thông qua đầu chia thủy lực, thay vì giải pháp sử dụng một vài chiếc kích cỡ lớn.
- Ứng dụng: nâng hạ trong công nghiệp, phục vụ các dự án quốc phòng.
- Kích thủy lực Enerpred DU50G100 được sản xuất bởi Enerpred - Irkutsk - Nga. Made in Russia.
-
Thông tin sản phẩm niêm yết tại hãng.

-
Catalogue, thông số sản phẩm chi tiết.






THÔNG TIN CHUNG:
- Hãng sản xuất: Enerpred/Russia (Liên Bang Nga).
- Bảo hành: 12 tháng.

- Đơn giá: vui lòng liên hệ với chúng tôi để biết chi tiết.
- Xuất xứ: Enerpred/Russia (Nga).
- CO, CQ do nhà sản xuất Enerpred/Russia cấp.
- Bảo hành: 12 tháng.
- Quy cách đóng gói: hộp carton.
- Thời gian giao hàng: 2-3 ngày đối với hàng có sẵn tại Việt nam, 10-30 ngày đối với hàng không có sẵn tại Việt nam.
- Giao hàng toàn quốc, vui lòng tham khảo chính sách giao hàng phía dưới website.





























