KÍCH THỦY LỰC FPT CRI-30/160 | CON ĐỘI THỦY LỰC FPT CRI-30/160 | FPT DOUBLE ACTING HYDRAULIC JACK CRI-30/160 | 30 tấn | 160 mm


- Kích thủy lực FPT CRI-30/160, kích thủy lực 2 chiều FPT CRI-30/160, FPT double acting hydraulic jack CRI-30/160: là loại kích thủy lực, con đội thủy lực 2 chiều, thân vỏ thép, có sức nâng max: 30 tấn, hành trình max: 160 mm, chuyên dùng nâng hạ, kéo rút trong công nghiệp.
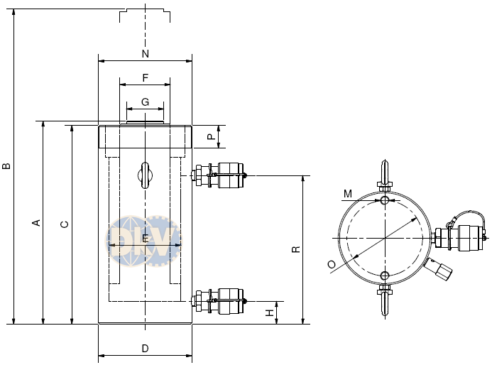
- Kích thủy lực 2 chiều FPT CRI-30/160 áp hoạt động < 700 bar, với coupler tiêu chuẩn ren 3/8"NPT cho phép kích thủy lực 2 chiều FPT CRI-30/160 đấu nối nhanh với bơm thủy lực, thông qua ống dây, phụ kiện thủy lực. Trang bị ren ngoài (N) phía đầu kích, cùng các bulong chìm dưới đáy kích (M), thuận tiện khi kết nối với đồ gá trong thao tác.
- Kích thủy lực 2 chiều FPT CRI-30/160 được chế tạo bằng thép cường lực, chịu va đập tốt, kết hợp với gioăng phớt chất lượng cao, cho tuổi thọ sử dụng dài lâu, đặc biệt là sai số tải trọng rất nhỏ trong quá trình sử dụng theo năm tháng vận hành.
- Kích thủy lực hai chiều FPT CRI-30/160 có độ mượt khi nâng/hạ và tính an toàn cao hơn hẳn kích thủy lực 1 chiều cùng cấu hình.
- Để nâng các tải trọng cỡ lớn, kích thước dài và rộng, có phân bố tải trọng không đồng đều, thường chọn giải pháp phối 1 bơm cho nhiều kích thủy lực 2 chiều FPT CRI-30/160, hoạt động đồng thời, thay vì chỉ sử dụng một vài chiếc kích cỡ lớn.
- Một bộ kích thủy lực đầy đủ FPT CRI-30/160 hoàn chỉnh: sẽ bao gồm thêm bơm thủy lực, ống dây thủy lực 2m có tích hợp coupler và áp kế chạy tốt.
- Kích thủy lực 2 chiều FPT CRI-30/160 được sản xuất tại nhà máy của FPT Fluid Power Technology S.r.l đặt tại Genova - miền Bắc Italy. Made in Italy. DKV VIET NAM nhập khẩu, phân phối và service tại Việt Nam.
- Nhận sửa chữa, phục chế kích thủy lực, bơm thủy lực và cung cấp phụ kiện đầy đủ (gioăng phớt, lò xo, valve) của FPT, Enerpac và các hãng khác. Nhận cung cấp dịch vụ kiểm định test tải trọng kích thủy lực FPT CRI-30/160 tại các trung tâm kiểm định của Nhà nước và tư nhân, để nhanh chóng đưa kích thủy lực FPT CRI-30/160 tới khách hàng vào sử dụng.
- DKV VIET NAM nhận cung cấp ống dây thủy lực (vật liệu cao su hoặc nylon gia cường) với độ dài bất kỳ (4m, 6m, 8m, 10m, 15m, 20m, 50m...), chuyển đổi coupler sang các kiểu khác, để phù hợp với chuẩn Osaka, Enerpac, Power Team, Betex, Holmatro, Riken, Larzep, Rehobot, Simplex, Tecpos, Tonners... mà khách hàng đang sử dụng.
- Ngoài cung cấp kích thủy lực 2 chiều FPT CRI-30/160, chúng tôi còn có sẵn các kích tiêu chuẩn chất lượng cao của Japan, Korea, China để thỏa mãn sự lựa chọn thêm của khách hàng, phù hợp với tiêu chí của khách hàng đặt ra (tham khảo tại: www.osaka-jack.com.vn và www.dkv.biz.vn).
- Giao hàng và service kích thủy lực 2 chiều FPT CRI-30/160 toàn quốc cho mọi khách hàng, hãy liên hệ với chúng tôi tại các văn phòng gần nhất, để được phục vụ.
-
Thông tin sản phẩm niêm yết chính thức tại hãng FPT.

-
Catalogue, thông số kỹ thuật sản phẩm chi tiết xem tại đây.








THÔNG TIN CHUNG:
- Xuất xứ: FPT/Italy (Made in Italy).
- CO, CQ do nhà sản xuất FPT/Italy cấp. CO Phòng thương mại Italy (Option).
- Bảo hành: 12 tháng (theo tiêu chuẩn nhà sản xuất).
- Quy cách đóng gói: hộp carton.
- Thời gian giao hàng: 1 - 2 ngày (đối với hàng có sẵn tại Việt nam) , 15 - 45 ngày (đối với hàng không có tại Việt nam, tùy thời điểm đặt hàng). Giao hàng toàn quốc.

- Đơn giá: vui lòng liên hệ với chúng tôi để biết chi tiết.
- Xuất xứ: FPT/Italy.
- CO, CQ do nhà sản xuất FPT/Italy.
- Bảo hành: 12 tháng.
- Quy cách đóng gói: hộp carton.
- Thời gian giao hàng: 2-3 ngày đối với hàng có sẵn tại Việt nam, 10-30 ngày đối với hàng không có sẵn tại Việt nam.
- Giao hàng toàn quốc, vui lòng tham khảo chính sách giao hàng phía dưới website.





























