KÍCH THỦY LỰC 2 CHIỀU LARZEP D01016 | CON ĐỘI THỦY LỰC 2 CHIỀU LARZEP D01016 | LARZEP DOUBLE ACTING HYDRAULIC JACK D01016 | 10 tấn | 160 mm


- Kích thủy lực Larzep D01016, con đội thủy lực 2 chiều Larzep D01016, Larzep double acting hydraulic jack D01016 là loại kích thủy lực, con đội thủy lực 2 chiều , thân vỏ thép, có sức nâng max: 10 tấn (109 kN), sức kéo max: 2 tấn (20 kN), hành trình max: 160 mm chuyên dùng để nâng, kéo rút trong công nghiệp.
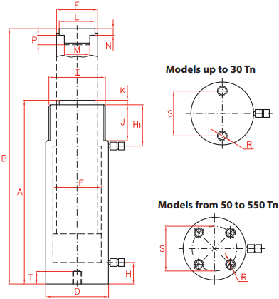
- Áp hoạt động kích thuỷ lực 2 chiều Larzep D01016 < 700 bar (70MPa) với coupler tiêu chuẩn: 3/8"-NPT cho phép đấu nối nhanh với bơm thủy lực, thông qua ống dây thủy lực, phụ kiện thủy lực.
- Kích thủy lực 2 chiều Larzep D01016 được chế tạo bằng thép cường lực, chịu va đập tốt, kết hợp với gioăng phớt chất lượng cao, cho tuổi thọ sử dụng dài lâu, đặc biệt là sai số tải trọng rất nhỏ trong quá trình sử dụng theo năm tháng vận hành.
- Kích thủy lực 2 chiều Larzep D01016 trang bị 2 ren trên đầu kích ( ren ngoài I = 2 1/4"-14, ren trong M = 1"-8 ) cùng 2 bulong chìm dưới đáy kích R =5/16"-18 kết nối nhanh chóng với đồ gá khi cần thiết.
- Để nâng các tải trọng cỡ lớn, kích thước dài và rộng, có phân bố tải trọng không đồng đều, thường chọn giải pháp phối 1 bơm cho nhiều kích thủy lực 2 chiều Larzep D01016, hoạt động đồng thời, thay vì chỉ sử dụng một vài chiếc kích cỡ lớn.
- Một bộ kích thủy lực 2 chiều Larzep D01016 hoàn chỉnh: sẽ bao gồm thêm bơm thủy lực, ống dây thủy lực 2m có tích hợp coupler và áp kế.
- Kích thuỷ lực Larzep D01016 được sản xuất tại nhà máy của Larzep đặt tại Mallabia - Biscay - xứ Basque, miền Bắc Tây Ban Nha. Made in Spain. Ngày nay, Larzep là nhãn hàng trực thuộc Tập đoàn Enerpac | USA.
- Nhận sửa chữa, phục chế kích thủy lực, bơm thủy lực và cung cấp phụ kiện đầy đủ (gioăng phớt, lò xo, valve) của Larzep và các hãng khác. Nhận cung cấp dịch vụ kiểm định test tải trọng kích tại các trung tâm kiểm định của Nhà nước và tư nhân, để nhanh chóng đưa kích vào sử dụng tới khách hàng.
- DKV VIET NAM nhận cung cấp ống dây thủy lực (vật liệu cao su hoặc nylon gia cường) với độ dài bất kỳ (4m, 6m, 8m, 10m, 15m, 20m, 50m...), chuyển đổi coupler sang các kiểu khác, để phù hợp với chuẩn Osaka, Enerpac, Power Team, Betex, Holmatro, Riken, Larzep, Rehobot, Simplex, Tecpos, Tonners... mà khách hàng đang sử dụng.
- Ngoài cung cấp kích thủy lực Larzep D01016, chúng tôi còn có sẵn các kích tiêu chuẩn chất lượng của Osaka | Japan, giá rẻ của Tonners | Korea, DKV HYDRAULIC | China để thỏa mãn sự lựa chọn thêm của khách hàng, phù hợp với tiêu chí của khách hàng đặt ra (tham khảo tại: www.osaka-jack.com.vn và www.dkv-hydraulic.com).
- Giao hàng và service kích thủy lực Larzep D01016 toàn quốc cho mọi khách hàng, hãy liên hệ với chúng tôi tại các văn phòng gần nhất, để được phục vụ.


-
Thông tin sản phẩm niêm yết chính thức tại hãng Larzep.

-
Catalogue, thông số kỹ thuật sản phẩm chi tiết xem tại đây.







- Đơn giá: vui lòng liên hệ với chúng tôi để biết chi tiết.
- Xuất xứ: Larzep/Tây Ban Nha.
- CO, CQ do nhà sản xuất Larzep/Tây Ban Nha.
- Bảo hành: 12 tháng.
- Quy cách đóng gói: hộp carton.
- Thời gian giao hàng: 2-3 ngày đối với hàng có sẵn tại Việt nam, 10-30 ngày đối với hàng không có sẵn tại Việt nam.
- Giao hàng toàn quốc, vui lòng tham khảo chính sách giao hàng phía dưới website.





























