KÍCH THỦY LỰC LUKAS LDM 10-5/200 | CON ĐỘI THỦY LỰC LUKAS LDM 10-5/200 | LUKAS HYDRAULIC JACK LDM 10-5/200 | 10 tấn | 200 mm


- Kích thủy lực Lukas LDM 10-5/200, con đội thủy lực Lukas LDM 10-5/200, Lukas hydraulic jack LDM 10-5/200 là loại kích thủy lực, con đội thủy lực 2 chiều, có sức nâng max: 10 tấn (98 kN), sức kéo max: 5 tấn (47 kN) hành trình max: 200 mm, áp hoạt động < 500 bar.
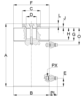
- Thân vỏ kích thủy lực Lukas LDM 10-5/200 được chế tạo bằng thép cường lực không gỉ, chịu va đập tốt, kết hợp với gioăng phớt chất lượng cao, cho tuổi thọ sử dụng dài lâu, đặc biệt là sai số tải trọng rất nhỏ trong quá trình sử dụng theo năm tháng vận hành.. Coupler kết nối size tiêu chuẩn: 3/8"-NPT cho phép đấu nối nhanh với bơm thủy lực thông qua ống dây thủy lực, valve, đầu chia, áp kế...thủy lực.
- Kích thủy lực Lukas LDM 10-5/200 trang bị ren đầu kích: ren trong (D = M20x1.5), ren ngoài (F = M100x2). Thuận tiện khi kết nối.
- Để nâng các tải trọng lớn, dài và rộng, phân bố tải trọng không đồng đều, ổn định trọng tâm tải trọng, có thể chọn giải pháp một bơm phối cho nhiều kích thủy lực Lukas LDM 10-5/200 cùng hoạt động một lúc, thông qua đầu chia thủy lực, thay vì giải pháp sử dụng một vài chiếc kích cỡ lớn.
-
Một bộ kích thủy lực Lukas LDM 10-5/200 hoàn chỉnh: sẽ bao gồm thêm bơm thủy lực, ống dây thủy lực 2m có tích hợp coupler và áp kế

- Sản phẩm kích thủy lực Lukas LDM 10-5/200 được DKV VIET NAM nhập khẩu trực tiếp từ Nhà máy Lukas tại Cộng Hòa Liên Bang Đức. Đi kèm CO (chứng chỉ xuất xứ): Phòng thương mại Germany (Option)
-
Thông tin sản phẩm niêm yết chính thức tại hãng Lukas.

-
Catalogue, thông số kỹ thuật sản phẩm chi tiết xem tại đây







- Đơn giá kích thủy lực: vui lòng liên hệ với chúng tôi để biết chi tiết.
- Xuất xứ: Lukas/Germany.
- CO, CQ do nhà sản xuất Lukas/Germany..
- Bảo hành: 12 tháng.
- Quy cách đóng gói: hộp carton.
- Thời gian giao hàng: 2-3 ngày đối với hàng có sẵn tại Việt nam, 10-30 ngày đối với hàng không có sẵn tại Việt nam.
- Giao hàng toàn quốc, vui lòng tham khảo chính sách giao hàng phía dưới website.






























