PA LĂNG CÂN BẰNG ENDO EWA-40 | ENDO SPRING BALANCER EWA-40 | 30 - 40 kg | 1.3 m


- Pa lăng cân bằng Endo EWA-40, Endo Sring balancer EWA-40: là loại pa lăng cân bằng hay còn gọi (Pa lăng lò xo tự rút) của hãng Endo thuộc dòng series EWA, có sức nâng từ: 30 - 40 kg , hành trình: 1.3 m.
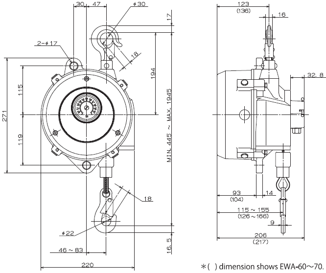
- Pa lăng cân bằng Endo EWA-40 có đường kính dây cáp: 4.76 (Φ mm)., được thiết kế nhỏ gọn, dùng để treo các vật dụng nhẹ như tô vít lực,máy khoan mini, dụng cụ tháo lắp dùng điện, thiết bị đo, vv....vv....
- Pa lăng cân bằng Endo EWA-40 được ứng dụng rộng rãi trong lĩnh vực như điện tử, xưởng garage, nhà máy, bến tàu, sản phẩm rất được ưa chuộng tại Việt Nam, với chất lượng Nhật Bản mang lại độ bền bỉ cao.
- Trọng lượng pa lăng cân bằng EWA-40 tiêu chuẩn: 11.9 kg.
- Pa lăng cân bằng EWA-40 được sản xuất bởi Endo Kogyo - Niigata - Nhật Bản. Made in Japan.
- Ứng dụng chủ yếu của pa lăng cân bằng Endo EWA-40 là treo các loại súng siết (điện, khí nén), dụng cụ cầm tay để thuận tiện tao tác trong các dây chuyền lắp ráp nhanh.
- Nhận sửa chữa, phục chế pa lăng cân bằng và cung cấp phụ kiện đầy đủ của Endo và các hãng khác. Nhận cung cấp dịch vụ kiểm định test tải trọng tại các trung tâm kiểm định của Nhà nước và tư nhân, để nhanh chóng đưa pa lăng cân bằng vào sử dụng tới khách hàng.
- Ngoài cung cấp pa lăng cân bằng Endo EWA-40 và các sản phẩm tiêu chuẩn luôn có sẵn, chúng tôi còn có sẵn các pa lăng cân bằng tiêu chuẩn giá rẻ hơn của Mijin - Tigon | Korea, để thỏa mãn sự lựa chọn thêm của khách hàng, phù hợp với tiêu chí của khách hàng đặt ra.
- Giao hàng và service pa lăng cân bằng Endo EWA-40 toàn quốc cho mọi khách hàng, hãy liên hệ với chúng tôi tại các văn phòng gần nhất, để được phục vụ.


-
Thông tin sản phẩm niêm yết chính thức tại hãng Endo.

-
Catalogue, thông số kỹ thuật sản phẩm chi tiết xem tại đây.





- Xuất xứ: Endo/Japan.
- CO, CQ do nhà sản xuất Endo/Nhật Bản cấp.
- Bảo hành: 12 tháng (theo tiêu chuẩn nhà sản xuất).
- Quy cách đóng gói: hộp carton.
- Thời gian giao hàng: 1 - 2 ngày (đối với hàng có sẵn tại Việt nam) , 15 - 45 ngày (đối với hàng không có tại Việt nam, tùy thời điểm đặt hàng). Giao hàng toàn quốc.

- Đơn giá: vui lòng liên hệ với chúng tôi để biết chi tiết.
- Xuất xứ: Endo/Japan.
- CO, CQ do nhà sản xuất Endo/Japan.
- Bảo hành: 12 tháng.
- Quy cách đóng gói: hộp carton.
- Thời gian giao hàng: 2-3 ngày đối với hàng có sẵn tại Việt nam, 10-30 ngày đối với hàng không có sẵn tại Việt nam.
- Giao hàng toàn quốc, vui lòng tham khảo chính sách giao hàng phía dưới website.



























THÔNG TIN HỖ TRỢ:




